在线询价微信咨询
在线定制
欢迎进入海湾安全技术有限公司官网!
海湾消防设备销售、改造、维修

专业一站式消防解决方案提供商

4006-598-11915262554119
新乡接线安装技术
联系我们Contact us
全国咨询热线15262554119

海湾安全技术有限公司

公司地址:苏州市常熟市黄河路275号

联系电话:4006-598-119

公司邮箱:1334605518@qq.com

接线安装技术

新乡海湾J-SAM-GST9116 手动火灾报警按钮

作者: 发布时间:2024-11-23 14:16:33点击:3075

信息摘要:

特点 

  海湾J-SAM-GST9116手动火灾报警按钮安装在船舶及工业防爆场所,当人工确认火灾发生后按下报 警按钮上的按片,可发出火灾报警信号。

  报警按钮既可以工作在编码模式:即与我公司生产的联动型火灾报警控制器连接,通过总线传 递信息;也可以工作在非编码模式:直接与 DC24V 连接,通过按键开关输出火警信号。

  报警按钮的防爆性能符合 GB 3836.1 《爆炸性气体环境用电气设备 第 1 部分: 通用要求》、 GB 3836.2《爆炸性气体环境用电气设备 第 2 部分: 隔爆型 “d”》、GB 12476.1《可燃性粉尘环境 用电气设备 第 1 部分:用外壳和限制表面温度保护的电气设备 第 1 节:电气设备的技术要求》标 准的要求,同时还满足 GB 19880《手动火灾报警按钮》中的各项要求。

  报警按钮适用于船舶、爆炸性气体危险场所的 1 区、2 区和爆炸性粉尘危险场所的 20 区、21 区和 22 区,可用于户外,需根据现场环境选用

主要技术指标  

(1) 工作电压:编码模式:总线 24V,工作电压范围:总线 16V~28V  非编码模式:DC24V,工作电压范围:DC20V~DC28V  

(2) 工作电流:监视电流≤0.8mA,报警电流≤2.5mA  

(3) 输出容量:常开无源输出,触点容量 DC24V/1A  

(4) 防爆标志:ExdⅡBT6/DIP A20 TA,T6 ;ExdⅡCT6/DIP A20 TA,T6  

(5) 火警指示灯:红色,正常监视时闪亮,报警后常亮  

(6) 外壳防护等级:IP66  

(7) 使用环境:温度:-25℃~+70℃  相对湿度≤95%,不结露  

(8) 外形尺寸:ExdⅡBT6/DIP A20 TA,T6 :196mm×129mm×95mm;  

ExdⅡCT6/DIP A20 TA,T6:211mm×129mm×95mm

结构特征、安装与布线  

按钮外形图如图 1-80 所示:

image.png

报警按钮的安装采用壁挂安装和立柱安装两种方式。  

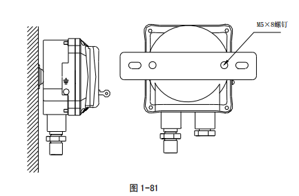
壁挂安装方式示意图如图 1-81 所示:

image.png

报警按钮主体分为底壳和上盖两部分,安装前,应首先将上盖上的 4 个固定螺栓拧下,将上盖 小心的从底壳上取下来。  

将挂板与底壳用 M5×8 的十字槽盘头螺钉连接牢固,然后使用 M8×60 的膨胀螺栓将报警按钮的 底壳和挂板直接固定在墙壁上。  

立柱安装方式示意图如图 1-82 所示:

image.png

报警按钮上盖线路板上配有接线端子,对外接线端子示意图如图 1-83

image.png

其中:

Z1、Z2:编码模式:接信号总线,无极性;非编码模式:接 DC24V,无极性。  

Z3、Z4:用于 Z1、Z2 输入信号的分线输出。  

K1、K2:无源常开输出端子,当报警按钮按下时,输出触点闭合,可直接控制外部设备。 可根据实际情况选择是否使用。  

接线时应将电缆线按顺序接入接线端子上。  

接好线后,将上盖盖到底壳上,然后将上盖与底壳用 M5×10 的沉头内六角螺钉固定即完成安 装。  

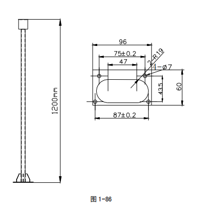
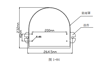
本报警按钮室外安装时可配用 LZ10011 型防雨罩与 LZ1001 型立柱。LZ10011 型防雨罩可采用 壁挂式安装,也可与 LZ1001 型立柱配套安装。 

 LZ10011 型防雨罩壁挂安装时需配用挂件进行安装,壁挂安装示意图如图 1-84 所示。

image.png

LZ10011 型防雨罩与 LZ1001 型立柱配套安装示意图如图 1-85

image.png

image.png


布线要求:  

本报警按钮应用于ⅡB 环境中,电缆引入装置为橡胶密封圈型式。将截面积≥1mm2 、外径为φ 8mm-φ10mm 的屏蔽耐火双绞电缆穿过金属垫圈和橡胶密封圈,将橡胶密封圈、金属垫圈连同电缆一 同旋进报警按钮壳体,用扳手将密封圈压紧对丝旋紧。  本报警按钮也可应用于ⅡC 环境中,但需使用隔爆型电缆密封套(填料函)作为引入装置,安 装时,必须用填料函将电缆密封套填充,填充材料及填充方式符合防爆相关规定。



本文标签:
在线客服
联系方式

热线电话

15262554119

上班时间

周一到周五

公司电话

4006-598-119

二维码
线