在线询价微信咨询
在线定制
欢迎进入海湾安全技术有限公司官网!
海湾消防设备销售、改造、维修

专业一站式消防解决方案提供商

4006-598-11915262554119
新乡接线安装技术
联系我们Contact us
全国咨询热线15262554119

海湾安全技术有限公司

公司地址:苏州市常熟市黄河路275号

联系电话:4006-598-119

公司邮箱:1334605518@qq.com

接线安装技术

新乡海湾JTY-HM-GST9615 线型光束感烟火灾探测器接线安装技术

作者: 发布时间:2024-11-19 10:44:15点击:3426

信息摘要:

特点  

海湾JTY-HM-GST9615线型光束感烟火灾探测器(以下简称探测器)为隔爆型反射式线型红外光束感 烟探测器。本探测器具有两种信号输出方式:总线输出方式和触点输出方式。当探测器与我公司生 产的控制器连接使用时,可通过总线完成二者间状态信息的传递,探测器本身可通过我公司生产的 电子编码器进行编码,编码范围在1~242之间。当探测器不与我公司生产的控制器配接时,即可通 过触点信号完成火警和故障信息的传递。探测器必须与反射器配套使用,但需要根据二者间安装距 离的不同决定使用一块或四块反射器。

  探测器内置性能卓越的单片机,具备强大的分析判断能力,通过在探测器内部固化的运算程序, 可自动完成系统的调试及对外界环境参数变化的补偿、火警的判断和故障的判断。探测器全面兼容 数字化总线技术,具有信息上传速度快,信息内容丰富的优点。探测器采用全新的、合理的结构设 计,调节灵敏、定位准确、外形美观,易于安装,调试方法简单、方便。探测器的灵敏度可通过电 子编码器进行现场设置,降低了探测器对现场环境洁净程度的要求,拓宽了本产品的应用场所。  探测器适用于石油、化工等行业具有防爆要求的 1 区及 2 区使用,可在恶劣的工业环境下稳定 工作,可在有轻微烟尘的空间及有腐蚀性气体存在的空间使用。  探测器为专利产品,专利号为 ZL 2005 3 0015269.9。


主要技术指标  

(1) 工作电压:总线电压:24V  电源电压:DC24V  

(2) 工作电流:电源电流:调试电流≤20mA  监视电流≤12mA 报警电流≤22mA   总线电流≤2mA(不与我公司生产的控制器配接时为 0mA)  

(3) 火警、故障触点输出  火警继电器:触点容量 28V/2A,正常时常开,火警状态下闭合  故障继电器:触点容量 28V/2A,正常时常开,故障状态下闭合  

(4) 保护面积:探测器更大 保护面积为 14×100=1400m2 ,更大 宽度为 14m  

(5) 防爆标志:ExdIICT6 Gb/DIP A21 TA,T6  

(6) 外壳防护等级:IP66  

(7) 指示灯:调试状态:绿色和黄色指示灯以特定的方式点亮或闪亮。  

正常监视状态:红色指示灯周期性闪烁。  

火警状态:探测器报火警时探测器火警指示灯点亮,火警继电器闭合。当探测器与我公司生产 的控制器连接使用时,火警信号可通过总线传递给控制器,火警信号需由控制器清除;当探测器不 与我公司生产的控制器连接使用时,需重新上电清除火警信息。  

故障状态:黄色指示灯常亮,故障继电器闭合。如果故障恢复,探测器的故障信号由探测器自 动消除。  

光路被全部遮挡:探测器先报故障并点亮黄色指示灯,故障继电器闭合;20s 后探测器再报火 警,点亮红色指示灯,火警继电器闭合;黄色指示灯熄灭,故障继电器断开。

注意:此种情况并不 一定代表火灾发生,当故障信号未转成火警信号时,若遮挡恢复,则故障信号由探测器自动清除。 

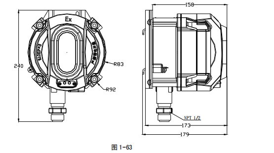
(8) 使用环境:温度:-20℃~+50℃   相对湿度≤95%,不结露  (9) 外形尺寸:   344mm×240mm×212mm(带调节支架)


结构特征、安装与布线  

探测器外形图如图 1-63 所示:

image.png

安装: 将探测器与反射器相对安装在保护空间的两端且在同一水平直线上,外形安装图如图 1-64 所 示:

image.png

探测器采用壁挂式安装,将调节架安装于墙上,然后再将探测器挂到调节架的挂架上,最后固 定,具体安装步骤如下:a) 固定调节架用 M6 的膨胀螺栓将调节架固定在墙上,安装调节架示意图如图 1-65 所示:

image.png

b) 安装、调节探测器  将已装配有安装板的探测器挂于调节架上,用 M5 的螺钉固定,探测器与调节架连接示意图如图 1-66 所示。  

image.png

c) 反射器安装  当探测器与反射器间的安装距离大于等于 8m(小于等于 40m)时,需安装 1 块反射器;  当探测器与反射器间的安装距离大于 40m(小于等于 100m)时,需安装 4 块反射器。单块反射 器安装需用两只6 塑料胀钉将其固定,安装尺寸如图 1-67 所示,四块反射器安装时应摆放紧密, 反射器之间不应留空隙,安装示意图如图 1-68 所示(图未按比例)。

image.png

image.png

安装时的注意事项如下:  

(1) 建筑物举架≤5m 时,探测器的安装高度为距顶棚 0.5m  

(2) 建筑物举架 5m~8m 时,探测器的安装高度为距顶棚 0.5m~1.0m  

(3) 建筑物举架>8m 时,一般无天花板,多数是人字型结构,应将探测器和反射器安装在 距地面 8m 左右的相对两墙墙壁上,但要保证探测器距安装位置处建筑物顶部的距离>0.5m  当建筑物顶棚为人字型结构时,顶棚高度可以人字架横梁高度计算,具体安装设计参数应以《火 灾自动报警系统设计规范》(GB 50116)为准。  

现场安装时,需要将 DC24V 电源线(无极性)连接在探测器的接线端子 D1、D2 上。  

当探测器采用总线输出方式与我公司生产的控制器配接时,总线(无极性)接在探测器的接线 端子 Z1、Z2 上,探测器对外接线端子示意图如图 1-69 所示:

image.png

布线要求:

  a) 探测器的连接电缆应使用铜芯多股导线的耐火电缆,在 1 区和 2 区,线芯截面均应不小于 1.0mm2 ,电缆外径为8mm~10mm,所用电缆还应符合使用环境的其它要求,如耐热、耐腐蚀、防火 等。线路走向等应符合相应爆炸危险环境的要求。电缆线路在爆炸危险环境中严禁有中间接头,在特殊情况下,电缆线必须安设中间接头时,只允许在 2 区内采用相应的防爆接线盒加以保护,方可 进行中间连接。  采用总线输出方式:无特殊要求时,可使用 RVVP41.0,外径为10 的屏蔽电缆,电缆屏蔽 层与探测器底壳上的保护地相连接;  采用触点输出方式:可使用外径为10 的屏蔽电缆,电缆屏蔽层与探测器底壳上的保护地相 连接,接线具体规格应根据探测器的配套接口设备要求进行。

  b) 将接地线接在探测器外壳的接地点上。

  c) 将探测器的上盖部分的排线插到底壳上的接口板上的 XT4 上,然后将上盖安装到底壳上,上 盖与底壳安装时注意底壳上的定位销要与上盖上的 U 形槽对应。

  d) 盖上上盖后拧紧上盖上四根内六角螺钉。  

安装完成后需做如下检查:  

(1)外壳表面应无裂纹、孔洞,底壳、上盖连接牢固;  

(2)玻璃罩无划伤、裂纹;  

(3)进线口处应有密封圈;  

(4)密封圈与电缆线径吻合;  

(5)进线口锁紧螺母已锁紧;  

(6)接地标识处有接地线。


本文标签:
在线客服
联系方式

热线电话

15262554119

上班时间

周一到周五

公司电话

4006-598-119

二维码
线