在线询价微信咨询
在线定制
欢迎进入海湾安全技术有限公司官网!
海湾消防设备销售、改造、维修

专业一站式消防解决方案提供商

4006-598-11915262554119
新乡接线安装技术
联系我们Contact us
全国咨询热线15262554119

海湾安全技术有限公司

公司地址:苏州市常熟市黄河路275号

联系电话:4006-598-119

公司邮箱:1334605518@qq.com

接线安装技术

新乡海湾J-SAM-GSTN9311(Ex)型手动火灾报警按钮技术参数

作者: 发布时间:2024-11-05 14:20:10点击:2649

信息摘要:

特点

  海湾J-SAM-GSTN9311(Ex)手动火灾报警按钮(以下简称报警按钮)安装在公共场所,当人工确认 火灾发生后按下报警按钮上的按片,可向控制器发出火灾报警信号,控制器接收到报警信号后,显 示出报警按钮的编码信息并发出报警声响。本报警按钮防爆类型为本质安全型,符合 GB 3836.1-2010 《爆炸性环境 第 1 部分:设备 通用要求》和 GB 3836.4-2010《爆炸性环境 第 4 部分:由本质安 全型i保护的设备》的有关规定,并取得了 防爆产品检验机关颁发的产品防爆合格证书,同时 满足国标 GB 19880-2005《手动火灾报警按钮》的有关规定,主要应用于石油及化工等易燃、易爆 场所。

本按钮具有如下特点:  

1)采用拔插式结构设计,安装简单方便。 

2)按下报警按钮按片,报警按钮提供的独立输出触点,可通过外接安全栅控制其它设备。 报警按钮上的按片在按下后可用专用工具复位。 

3)用微处理器实现对消防设备的控制,用数字信号与控制器进行通信,工作稳定可靠,对电 磁干扰有良好的抑制能力。 

(4)地址码为电子编码,可现场改写。


主要技术指标

(1) 工作电压: 信号总线电压:24V 允许范围:16V~28V 

(2) 工作电流: 监视电流≤0.25mA  报警电流≤0.5mA 

(3) 输出容量:额定 DC30V/100mA 无源输出触点信号,接触电阻≤100m 

(4) 启动零件型式:可重复使用型 

(5) 启动方式:人工按下按片 

(6) 复位方式:用专用钥匙复位 

(7) 指示灯:红色,正常巡检时约 3s 闪亮一次,报警后点亮 

(8) 编码方式:电子编码,编码范围在 1242 之间任意设定 

(9) 线制:与控制器无极性二线制连接 

(10) 使用环境: 型:户内 度:-10℃~+55相对湿度≤95%,不凝露 

(11) 外形尺寸:95.4mm×98.4mm×45.5mm (带底壳)  

(12) 外壳防护等级:IP40  

(13) 防爆标志:ExibCT6 Gb


结构特征、安装与布线  

手动火灾报警按钮外形示意图如图 1-13 所示:

image.png

安装时只需拔下报警按钮,从底壳的进线孔中穿入电缆并接在相应端子上,再插好报警按钮即 可安装好报警按钮,安装孔距为 60mm。报警按钮安装采用进线管明装和进线管暗装两种方式,安装 

示意图如图 1-14 所示。

image.png

本报警按钮室外安装、采用立柱安装方式时,可选用 LZ10001 型防雨罩与 LZ1000 型立柱。 LZ10001 型防雨罩与 LZ1000 型立柱配套使用。LZ10001 型防雨罩防护等级 IP65,其外形示意图如图 1-15 所示。

image.png

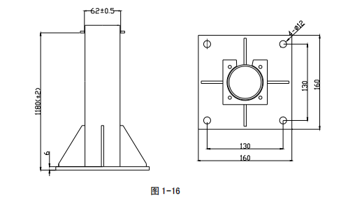
LZ1000 型立柱的外形示意图如图 1-16 所示。

image.png

LZ10001 型防雨罩与 LZ1000 型立柱配套安装示意图如图 1-17 所示。

image.png

本报警按钮室外安装、采用壁挂安装时,可选用 LZ10002 型防雨罩,LZ10002 型防雨罩采用壁 挂式安装,防护等级 IP65,其外型尺寸及安装示意图如图 1-18 所示。

image.png

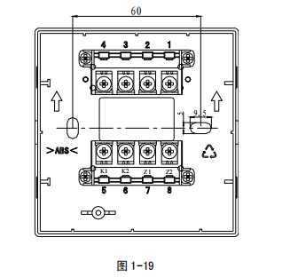
对外接线端子示意图如图 1-19:

image.png

端子说明: Z1Z2:无极性信号二总线接线端子。 K1K2:额定 DC30V/100mA 无源常开输出端子。 电缆均选用截面积≥1.0mm2 的本安电缆,且电缆间分布电容不得大于 0.083μF,分布电感不得 大于 4.1mH。  

应用方法  

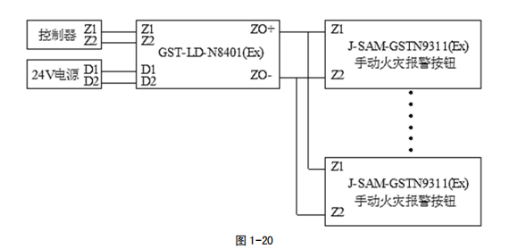
报警按钮可安装于危险区,通过 GST-LD-N8401(Ex)总线隔离式安全栅与安全区的火灾报警控制 器连接,接线图如图 1-20 所示。

image.png




本文标签:
在线客服
联系方式

热线电话

15262554119

上班时间

周一到周五

公司电话

4006-598-119

二维码
线